液压气动密封件—BD返回 >>

概   况型号参数
BD型ULTRATHAN®活塞杆密封是派克密封PARK-0-PAK®进一步开发的成果,它具有两道密封唇,并有一个抗挤压性很强的挡圈。由于两道密封唇的作用,在密封间隙中便保持这额外的润滑。(这就大大减少地了干摩擦和磨损,从而延长了密封件的使用寿命。)
在某些条件下,只能通过一前一后两个安装在各自沟槽中的密封件才可达到满意的密封性能。BD这种两道唇口密封件却可以代替价格昂贵的串联装置。这类密封可用于普通橡胶或织物补强橡胶物理性能达不到要求的各种场合。
主要优点是:
•耐磨性极好。
•耐冲击,抗挤出。
•压缩变形小。
•适用于最苛刻的工作条件。
•由于密封唇口之间的压力介质而具有充分的润滑。
•提高了零压力下的密封性能。
•极好地防止了外部空气的进入。
•易于安装。
应用范围:
工作压力:≤500bar(峰值1000bar)
工作温度:-35至+110°C
表面速度:≤0.5m/s
介 质:液压油(矿物油基)
主要用于重载行走机械和静压中的活塞杆和柱塞的密封。
材 料:
材料P5008是一种邵氏硬度A约为93的派克聚氨酯材料。NBR-O形圈的邵氏硬度A约为70。挡圈由填充的聚酰胺(W5019)制得。
安 装:
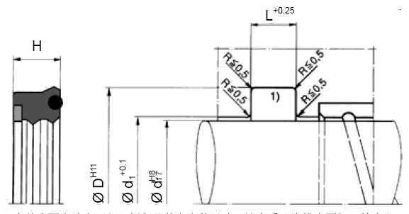
这类密封件应有一个轴向间隙(参看H 和L栏)。为了避免密封唇口的损坏,安装时不要将密封件在锐边上拉动。这些密封件通常都可以装入闭式沟槽中。在入口处受限制时,需要用特殊的安装工具。若用户要求,本公司将提供这类工具的设计方案,公差准则为H8/ f7。
如有特殊要求(压力、温度、速度等, 用于水、HFA液、HFB液等介质中), 请与本公司的咨询服务部联系,以便您推荐合适的材料和结构。
| d | D | H | L | d1 | 订货号 |
| 40 | 55 | 11.4 | 12.5 | 40.5 | BD004000042 |
| 50 | 65 | 11.4 | 12.5 | 50.5 | BD005000042 |
| 56 | 71 | 11.4 | 12.5 | 56.5 | BD005600042 |
| 60 | 75 | 11.4 | 12.5 | 60.5 | BD006000042 |
| 63 | 78 | 11.4 | 12.5 | 63.5 | BD006300042 |
| 65 | 80 | 11.4 | 12.5 | 65.5 | BD006500042 |
| 70 | 85 | 11.4 | 12.5 | 70.5 | BD007000042 |
| 75 | 90 | 11.4 | 12.5 | 75.5 | BD007500042 |
| 80 | 95 | 11.4 | 12.5 | 80.5 | BD008000042 |
| 85 | 100 | 11.4 | 12.5 | 85.5 | BD008500042 |
| 85 | 100 | 12 | 13 | 85.5 | BD008600042 |
| 90 | 105 | 11.4 | 12.5 | 90.5 | BD009000042 |
| 95 | 110 | 12 | 13 | 95.5 | BD009200042 |
| 100 | 115 | 12 | 13 | 100.5 | BD009500042 |
| 100 | 120 | 13.5 | 15 | 100.6 | BD009900042 |
| 100 | 120 | 14.5 | 16 | 100.6 | BD010000042 |
| 110 | 130 | 14.5 | 16 | 110.6 | BD011000042 |
| 120 | 140 | 14.5 | 16 | 120.6 | BD012000042 |
| 125 | 145 | 14.5 | 16 | 125.6 | BD012500042 |
| 130 | 150 | 14.5 | 16 | 130.6 | BD013000042 |
| 140 | 160 | 14.5 | 16 | 140.6 | BD014000042 |
| 150 | 170 | 14.5 | 16 | 150.6 | BD015000042 |
| 160 | 180 | 14.5 | 16 | 160.6 | BD016000042 |
| 170 | 190 | 14.5 | 16 | 170.6 | BD017000042 |
| 180 | 205 | 18.2 | 20 | 180.8 | BD018000042 |
| 190 | 215 | 18.2 | 20 | 190.8 | BD019000042 |
| 200 | 230 | 22.7 | 25 | 200.8 | BD020000042 |
| 220 | 250 | 22.7 | 25 | 220.8 | BD022000042 |
| 230 | 260 | 22.7 | 25 | 230.8 | BD023000042 |
| 240 | 270 | 22.7 | 25 | 240.8 | BD024000042 |






川公网安备 51010802000256号